MPT-spojovací deska

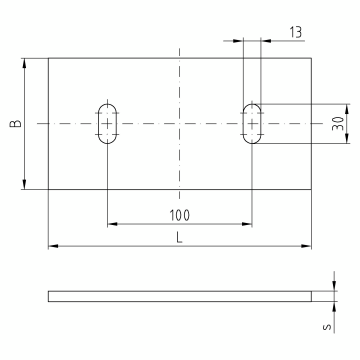
MPT-spojka profilu, 100 × 200 × 8 mm, na nosník Q50, Q100, Q150, žárově pozinkované

Zobrazit varianty jako seznam
Čl.-č.: 148007
Délka L [mm]: 200
Výdejní jednotka: 1 kus
Hmotnost / jednotkové množství: 1,220 kg
kus

Aplikace

  • Žárově pozinkované perforované desky pro připojení MPT-nosníků

Vaše výhody

  • Rychlé spojení pomocí podélných otvorů v kombinaci s MPT-upínacími šrouby s T-hlavou
  • Vysoce kvalitní žárové pozinkování pro univerzální použití ve vnějších i vnitřních prostorech
Stručný popis
MPT-spojka profilu, 100 × 200 × 8 mm, na nosník Q50, Q100, Q150, žárově pozinkované
Profilové systémy
do MPT nosníku
Typ výrobku
Spojovací díly
Pro profily
Q50-2,5, Q100-2,5, Q100-3,5, Q150-2,5
Materiál
Ocel
Povrch
žárově pozinkovaná
Délka L [mm]
200
eCl@ss 7.1
23-36-02-90
eCl@ss 11.1
23-36-02-90
Tloušťka s
8 mm
Rozměry B
100 mm
Číslo celního tarifu
73269060
Další technické údaje naleznete v datovém listu.