MPT-spojka pro křížení profilů

MPT-spojka pro krížení nosníku na nosník Q50, žárove pozinkovaná

Zobrazit varianty jako seznam
Čl.-č.: 147940
Pro profily: Q50-2,5
Výdejní jednotka: 1 kus
Hmotnost / jednotkové množství: 1,960 kg
kus

Aplikace

  • Pro křížová spojení z MPT-nosníků Q50, Q80 a Q100

Vaše výhody

  • Rychlá a bezpečná montáž s využitím podélných otvorů v kombinaci s MPT-upínacími šrouby s T-hlavou
  • Žárové pozinkování v souladu s normou zajišťuje flexibilní možnosti použití ve vnějších i vnitřních prostorech
Stručný popis
MPT-spojka pro krížení nosníku na nosník Q50, žárove pozinkovaná
Profilové systémy
do MPT nosníku
Typ výrobku
Spojovací díly
Pro profily
Q50-2,5
Materiál
Ocel
Povrch
žárově pozinkovaná
eCl@ss 7.1
23-36-02-90
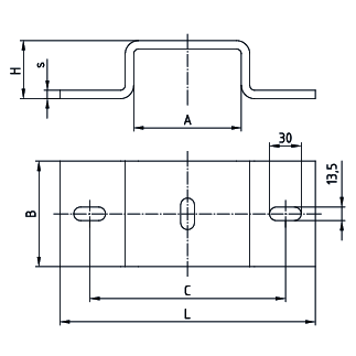
Tloušťka s
8 mm
eCl@ss 11.1
23-36-02-90
Rozměry B
100 mm
Rozměry A
106 mm
Rozměry H
56 mm
Rozměry L
246 mm
Číslo celního tarifu
73089059
Další technické údaje naleznete v datovém listu.