MPT-sedlová příruba

MPT-sedlová příruba na nosník Q50 žárově pozinkovaná

Zobrazit varianty jako seznam
Čl.-č.: 131837
Pro profily: Q50-2,5
Výdejní jednotka: 1 kus
Hmotnost / jednotkové množství: 4,850 kg
kus

Aplikace

  • Stabilní sedlová příruba ve třech velikostech pro uložení nosných profilů MPT Q50, Q80, Q100 nebo Q150, pro připojení na stěnu, podlahu a strop

Vaše výhody

  • Pro rychlou a efektivní montáž příčníků z MPT-nosníků
  • Stabilní patní deska k bezpečnému upevnění na stavební konstrukci
  • Žárové pozinkování v souladu s normou zajišťuje flexibilní možnosti použití ve vnějších i vnitřních prostorech
  • Svařované provedení profilovaného dosedacího sedla zaručuje vysokou tvarovou stabilitu příruby
Stručný popis
MPT-sedlová příruba na nosník Q50 žárově pozinkovaná
Profilové systémy
do MPT nosníku
Typ výrobku
Spojovací díly
Pro profily
Q50-2,5
Materiál
Ocel
Povrch
žárově pozinkovaná
eCl@ss 11.1
23-36-02-90
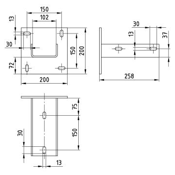
Rozměry B
150 mm
eCl@ss 7.1
23-36-02-90
Rozměry A
200 mm
Rozměry a
57 mm
Rozměry a1
37 mm
Rozměry b
72 mm
Rozměry L
258 mm
Rozměry I1
75 mm
Rozměry I2
150 mm
Rozměry s
8 mm
Max. doporučené zatížení v tahu
12 500 N
Utahovací moment
65 Nm
Číslo celního tarifu
73269060
Další technické údaje naleznete v datovém listu.