MPC-nosníky

MPC-instalační nosník 40/120 H, délka: 6640 mm, žárově pozinkovaný

Čl.-č.: 130033
Výdejní jednotka: 1 kus
Hmotnost / jednotkové množství: 46,480 kg
kus

Aplikace

  • Ideální pro montáže potrubí jako nosných konstrukcí pro vzduchovody
  • Mnohostranné montážní možnosti pro předstěnové instalace a regály ve spojení s rozsáhlým výběrem systémových konstrukčních dílů
  • Vhodná pro použití ve venkovních prostorech

Vaše výhody

  • Rychlé a efektivní upevňování potrubních stoupaček a tras
  • Stupnice umístěné na bocích a na straně štěrbiny zjednodušují vyrovnávání upevňovacích prvků při instalaci a usnadňují měření rozměrů a přířez nosníků přímo na staveništi
  • Pro spolehlivá, stranově i výškově nastavitelná upevnění
  • Vysoká pevnost v ohybu díky příznivým průřezům profilů
  • K výstavbě staticky správně dimenzovaných konstrukcí pomocí rozmanitých spojovacích dílů
  • Vhodné prvky akustického tlumení pro všechny nosníky
  • Dokonalý vzhled díky MPC-záslepkám
Stručný popis
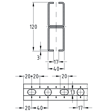
MPC-instalační nosník 40/120 H, délka: 6640 mm, žárově pozinkovaný
Profilové systémy
do MPC nosníku
Typ výrobku
Nosníky
Profil
40/120/3,0 H
Materiál
Ocel
Povrch
žárově pozinkovaná
eCl@ss 11.1
23-36-01-90
Délka
6 640 mm
eCl@ss 7.1
23-36-01-90
Schválení ETA
Ano
Číslo celního tarifu
72166110
Další technické údaje naleznete v datovém listu.