Pro další informace, obrázky a dokumenty vyberte variantu.

Aplikace

  • Ideální jako vyložené nosné konstrukce pro instalaci potrubních tras
  • Použitelné jako konzolový nosník k uchycení VZT potrubí a kabelových lávek
  • V kombinaci se sedlovou a čelní přírubou MPC použitelné jako příčník k upevnění potrubí v šachtách a kanálech
  • Stabilní nástěnná konzola pro armatury a přístroje
  • Profil 38/80 je díky dvojité štěrbině ideálně použitelný pro oboustrannou montáž potrubních stoupaček
  • Vhodná pro použití ve venkovních prostorech

Vaše výhody

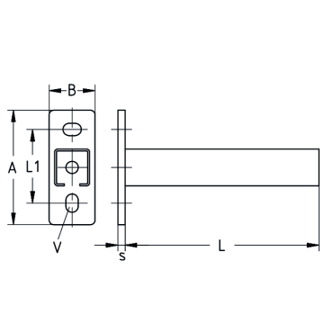
  • Vysoce únosná konstrukce díky stabilní patní desce
  • Uspořádání dlouhých děr v základové desce "příčně a podélně" umožňuje dobré výškové nastavení konzolí
  • Díky odstupňovaným délkám se dobře přizpůsobují požadavkům stavby
  • Dokonalý vzhled díky MPC-záslepkám
Profilové systémy
do MPC nosníku
Typ výrobku
Konzole
Materiál
Ocel
Povrch
žárově pozinkovaná
eCl@ss 7.1
23-36-01-90
eCl@ss 11.1
23-36-01-90
Další technické údaje naleznete v datovém listu.