MPR-nosníky

V4A MPR-instalační nosník 41/82/2,0 H-profil, délka: 6000 mm, bez moření

Čl.-č.: 154406
Výdejní jednotka: 1 kus
Hmotnost / jednotkové množství: 24,960 kg
kus

Aplikace

  • Ideální pro vedení potrubních tras s úsporou místa mezi stropními průvlaky
  • Ideální pro montáže potrubí, jako nosné konstrukce pro větrací kanály ve vnitřních i vnějších prostorech
  • Mnohostranné montážní možnosti např. pro regály ve spojení s rozsáhlým výběrem systémových konstrukčních dílů
  • Oblast použití ve vnitřních i vnějších prostorech

Vaše výhody

  • Rychlé a efektivní upevňování potrubních stoupaček a tras
  • Ideální kombinace vysoké pevnosti v ohybu a pohodlné montáže
  • Oboustranné štěrbiny v nosnících umožňují jednoduché a rychlé vyrovnání všech závěsných i stojících upevňovacích prvků
  • Stupnice umístěné na bocích a na straně štěrbiny zjednodušují vyrovnávání upevňovacích prvků při instalaci a usnadňují měření rozměrů a přířez nosníků přímo na staveništi
  • Vhodné prvky akustického tlumení pro všechny nosníky
  • Dokonalý vzhled díky MPR-záslepkám
  • Ozubení ve štěrbině nosníku pro spolehlivé sevření přidržovaných dílů
Stručný popis
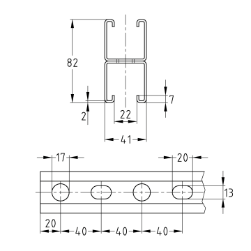
V4A MPR-instalační nosník 41/82/2,0 H-profil, délka: 6000 mm, bez moření
Profilové systémy
do MPR nosníku
Typ výrobku
Nosníky
Profil
41/82/2,0 H
Materiál
V4A
Povrch
V4A
eCl@ss 7.1
23-36-01-90
Délka
6 000 mm
eCl@ss 11.1
23-36-01-90
Schválení DNV
Ano
Schválení ETA
Ano
Číslo celního tarifu
72224050
Další technické údaje naleznete v datovém listu.