MPR-konstrukční úhelník typ S+

MPR-konstrukční úhelník typ S+, žárově pozinkovaný

Čl.-č.: 165914
Výdejní jednotka: 1 kus
Hmotnost / jednotkové množství: 0,828 kg
kus

Aplikace

  • Spojovací prvek pro konstrukce příčníků, rámových a regálových systémů ve spojení s MPR nosníky
  • Oblast použití ve vnitřních i vnějších prostorech

Vaše výhody

  • Mnohočetné možnosti montáže v nosnících MPR a spojovacím zámku typu S+
  • Zajišťuje stabilní rohové spoje
Stručný popis
MPR-konstrukční úhelník typ S+, žárově pozinkovaný
Profilové systémy
do MPR nosníku
Typ výrobku
Rychlá montáž typ S+
Materiál
Ocel
Povrch
žárově pozinkovaná
Velikost
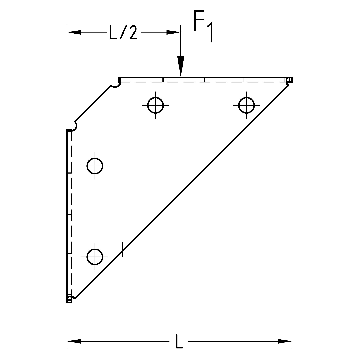
198 x 198 mm
eCl@ss 7.1
23-15-92-90
eCl@ss 11.1
23-36-02-90
Povolené zatížení F1
2 250 N
Přípustné zatížení F2 (Tloušťka materiálu instalační nosník 2,5 mm)
4 000 N
Číslo celního tarifu
73089059
Další technické údaje naleznete v datovém listu.